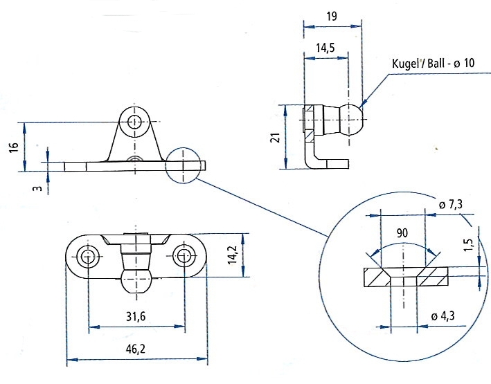
Beslag 3mm metall med kule Ø10
Artikkelinformasjon
Fönicklat utf
Egenskaper
-
Generell informasjon
-
Godstjocklek= 3mm (500N)
Fönicklat utf
Generell informasjon
Godstjocklek= 3mm (500N)
Om Autokatalogen | Spørsmål og svar
Sentralbord: 22 88 46 80, E-post: firmapost@kgk.no, Web: www.kgk.no
Kontakt Oslo: KGK Norge AS, Strømsveien 177, 0664 OSLO